首頁
當前所在位置:首頁 > 產品中心 > A2F斜軸柱塞泵

斜軸式軸向柱塞泵A2F160R2P3 A2F160L2P3

湖北瀚力機械設備有限公司
------專業生產A2F系列斜軸式軸向柱塞泵


產品概述:
具有固定的排量,在開式或閉式系統中作靜壓傳動的泵或馬達。

當作為泵使用時,流量與轉數和排量成正比。
當作馬達使用時,輸出轉數和排量成正比而與排量成反比。輸出扭矩隨高壓側與低壓側之壓差的增大而增大。
驅動軸能承受徑向負荷;
缸體與配油盤采用球面配油,在旋轉中能自動對中,圓周速度較小,效率高;噪音低

該泵常用于鍛壓機械、金屬打包機械、中大型液壓站等設備上。該泵排量為160ml/r,峰值工作壓力可達40Mpa,屬于高壓柱
塞泵產品。該泵的主要結構部件包括殼體、柱塞、缸體、軸承、主軸等,本系列產品為斜軸式結構,適用于開式液壓系統或
閉式系統的靜壓傳動系統。


A2F 柱塞泵 160排量規格產品主要型號如下:
A2F160R2P3
A2F160L2P3
L2F160R2P3
LY-A2F160R2P3
GY-A2F160R2P3
YFA2F160R2P3
L2F160L2P3
LY-A2F160L2P3
GY-A2F160L2P3
YFA2F160L2P3

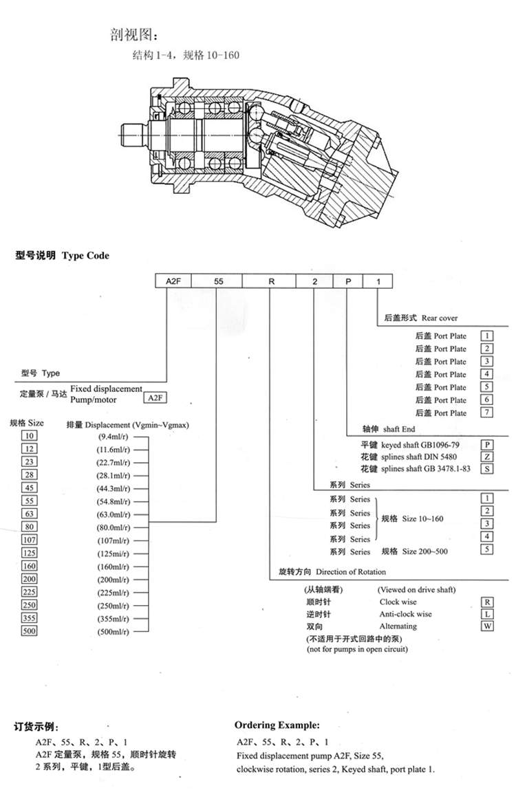
產品型號說明圖

A2F斜軸式軸向柱塞泵產品結構尺寸圖


產品實物圖片

 
當前所在位置:首頁 > 產品中心 > A2F斜軸柱塞泵

服務熱線

18071403368

電話:027-84888077 傳真:027-84887577
QQ:821652959、827093752
郵箱:821652959@qq.com
   827093752@qq.com
地址:湖北武漢市沌口經濟開發區工業園79號

版權所有:湖北瀚力機械設備有限公司 Copyright 2019 www.xxglc.cn All Rights Reserved.
推薦產品:軸向柱塞泵、斜軸柱塞泵及液壓柱塞泵