首頁
當前所在位置:首頁 > 產品中心 > HY系列液壓柱塞泵

HY160S-RP軸向柱塞泵 HY160S-RP手動變量柱塞泵

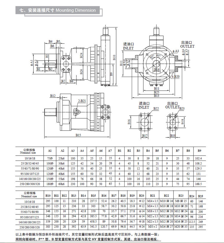
HY160S-RP軸向柱塞泵排量為160ml/r,其控制方式為手動控制,泵體上帶可調壓的手輪,也稱其為手動變量柱塞泵。該泵只有
平鍵軸可選,油口形式支持SAE、DIN等標準。其工作壓力最大可達40Mpa。該泵是柱塞泵160SCY14-1B的提升改進產品,產品
安裝尺寸上略有區別,柱塞泵HY160S-RP性能相對160SCY14-1B要優異,結構相對緊湊,重量輕,且工作壓力、產品穩定性上更好。





當前所在位置:首頁 > 產品中心 > HY系列液壓柱塞泵

服務熱線

18071403368

電話:027-84888077 傳真:027-84887577
QQ:821652959、827093752
郵箱:821652959@qq.com
   827093752@qq.com
地址:湖北武漢市沌口經濟開發區工業園79號

版權所有:湖北瀚力機械設備有限公司 Copyright 2019 www.xxglc.cn All Rights Reserved.
推薦產品:軸向柱塞泵、斜軸柱塞泵及液壓柱塞泵