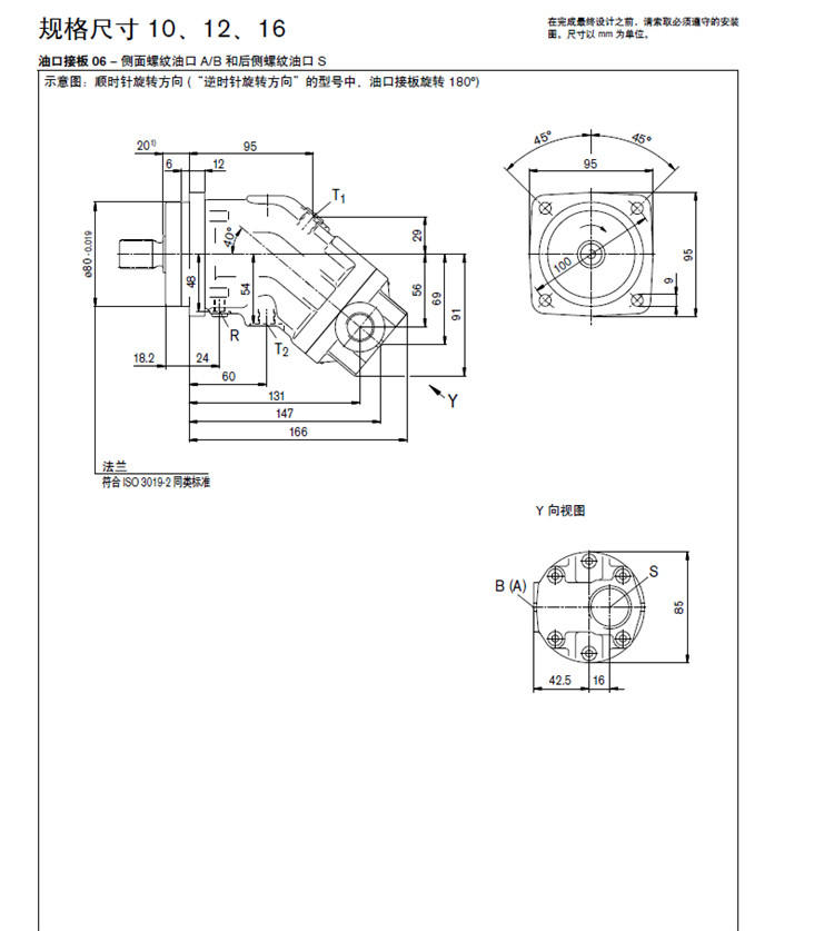
A2FO系列柱塞泵為A2F系列柱塞泵基礎上改良的產品,其外觀較A2F系列最主要的區別在于該泵的彎曲角度為40度,而A2F系列角度為25度、20度、12.5度。A2FO系列柱塞泵為軸向柱塞泵,具有排量固定的特點,一般排量范圍5-1000ml/r轉,這里我們只介紹小排量的產品,即排量為10、12、16三個規格。這三個小排量規格的泵,進出油口一般都為螺紋接口,軸申形式包括SAE平鍵軸,DIN花鍵軸等。
軸向柱塞泵A2FO10主要相關型號包括A2F10/61R-PPB06,A2F10/61R-PBB06、A2F10/61R-PAB06、A2F10/61L-VAB06。
軸向柱塞泵A2FO12主要相關型號包括A2F12/61R-PPB06,A2F12/61R-PBB06、A2F12/61R-PAB06、A2F12/61L-VAB06
軸向柱塞泵A2FO16主要相關型號包括A2F16/61R-PPB06,A2F16/61R-PBB06、A2F16/61R-PAB06、A2F16/61L-VAB06
柱塞泵A2FO10/61R-PPB06 A2FO12/61R-PBB06 A2FO16/61R-PAB06這三款小排量型號的柱塞泵一般常作為工程機械的輔泵使用,具體使用方式,安裝尺寸等參考說明書資料。




