力士樂柱塞泵
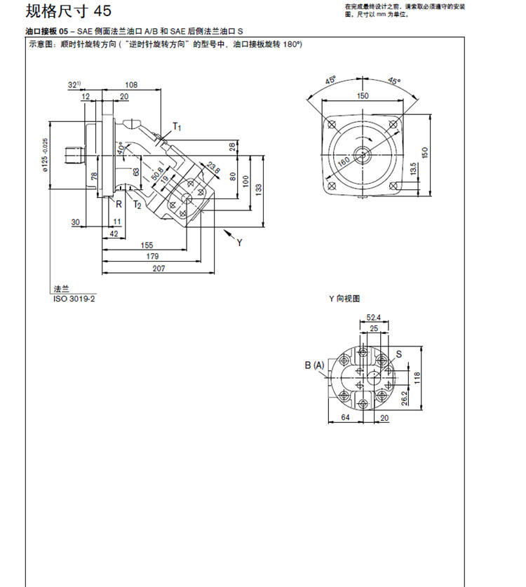
A2FO45/61R-PBB05是一種定量柱塞泵,采用斜軸式結構,具有很高的工作壓力,峰值壓力可達40Mpa。
產品特性:
用于開式回路中所有應用領域的標準定量泵
油口都是SAE法蘭或螺紋
軸端由平鍵或花鍵連接
技術參數:
排量規格為45ml/r;
額定壓力35Mpa;
峰值壓力40Mpa;
轉速范圍500-3500r/min;
力士樂柱塞泵
A2FO45/61R-PBB05相關產品型號包括:
A2FO45/61R-PAB05 A2FO45/61R-PPB05 A2FO45/61R-PZB05
A2FO45/61R-VAB05 A2FO45/61R-VBB05 A2FO45/61R-VPB05 A2FO45/61R-VZB05
A2FO45/61L-PAB05 A2FO45/61L-PBB05 A2FO45/61L-PPB05 A2FO45/61L-PZB05
A2FO45/61L-VAB05 A2FO45/61L-VBB05 A2FO45/61L-VPB05 A2FO45/61L-VZB05






