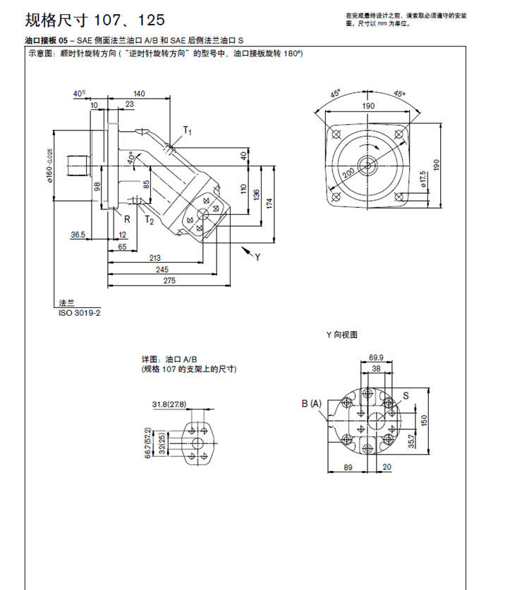
REXROTH柱塞泵A2FO125/61R-VPB05產品型號、工作原理、安裝尺寸、技術參數等相關產品信息如下:







REXROTH柱塞泵A2FO125/61R-VPB05相關產品型號如下;
A2FO125/61R-PAB05 A2FO125/61R-PBB05 A2FO125/61R-PPB05 A2FO125/61R-PZB05
A2FO125/61R-VAB05 A2FO125/61R-VBB05 A2FO125/61R-VPB05 A2FO125/61R-VZB05
A2FO125/61L-PAB05 A2FO125/61L-PBB05 A2FO125/61L-PPB05 A2FO125/61L-PZB05