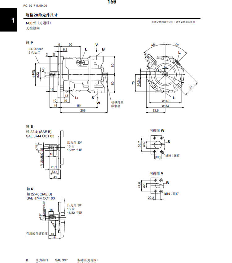
力士樂系列變量柱塞泵A10VSO28DRG/31R-PPA12N00產品介紹
A10VSO28DRG/31R-PPA12N00是恒壓變量柱塞泵A10VSO系列中排量規格為28的產品之一。常用于液壓站,行走機械、工程機械、礦山機械等。
技術參數如下:
產品額定轉速:500-3000r/min;
額定工作壓力:28Mpa;
峰值工作壓力:35Mpa;
泵的額定排量:28ml/r;
泵的容積效率:大于等于95%;
控制方式:遠程恒壓控制;
產品實物圖如下


產品型號定義如下圖


A10VSO28DFR1/31R-PPA12N00型號說明:
A10VSO為恒壓變量柱塞泵的型號;
28代表排量為28r/min;
DRG代表控制方式為遠程恒壓控制;
31代表系列結構;
R 為順時針轉向(正轉);
P(第一個P)代表軸伸形式為平鍵軸;
P(第二個P)代表產品密封材料丁青橡膠;
12 代表后蓋形式;
N00 代表本產品無通軸選項;
恒壓變量柱塞A10VSO28DRG/31R-PPA12N00相關型號規格如下
A10VSO28DRG/31R-PPA12NOO
A10VSO28DRG/31R-PPA12K01
A10VSO28DR/31R-PPA12N00
AA10VSO28DRG/31R-PPA12N00
L10VSO28DRG/31R-PPA12N00
A10VSO28DRG/31L-PPA12N00
A10VSO28DRG/31R-PSC12N00
A10VSO28DRG/31R-PSC12K01
A10VSO28DRG/31R-VSA12N00

更多關于產品型號、產品性能、產品用途、產品安裝方式、結構尺寸等請聯系我公司銷售人員。