力士樂系列變量柱塞泵A10VSO100DFLR/31R-PPA12N00是一種軸向柱塞泵,該型號具有恒功率的特性,常用于行走機械,冶金
機械,鍛壓機械等設備上。
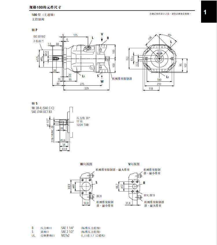
技術參數如下:
產品額定轉速:500-2500r/min;
額定工作壓力:28Mpa;
峰值工作壓力:35Mpa;
泵的額定排量:100ml/r;
泵的容積效率:大于等于95%;
控制方式:DFLR恒功率變量控制;
產品實物圖如下




產品型號定義如下圖


A10VSO100DFLR/31R-PPA12N00型號說明:
A10VSO為恒壓變量柱塞泵的型號;
28代表排量為28r/min;
DRG代表控制方式為遠程恒壓控制;
31代表系列結構;
R 為順時針轉向(正轉);
P(第一個P)代表軸伸形式為平鍵軸;
P(第二個P)代表產品密封材料丁青橡膠;
12 代表后蓋形式;
N00 代表本產品無通軸選項;
力士樂恒功率變量柱塞A10VSO100DFLR/31R-PPA12N00相關型號規格如下
A10VSO100DFLR/31R-PPA12NOO
A10VSO100DFLR/31R-PSC12N00
A10VSO100DFLR/31R-VSC12N00
A10VSO100DFLR/31R-PSA12N00
A10VSO100DFLR/31R-VSA12N00
A10VSO100DFLR/31R-PSC12K07
A10VSO100DFLR/31R-PPA12K01
L10VSO100DFLR/31R-PPA12N00
A10VSO100DFLR/31L-PPA12N00
A10VSO100DFLR/31R-VSC62N00



我公司的A10VSO系列恒功率變量柱塞泵嚴格采用高標準配件,確保產品品質優,質量可靠,下面是我們的配件實物圖,主要包括柱塞、配油盤,缸體等。



更多關于A10VSO100DFLR軸向柱塞泵產品型號、產品性能、產品用途、產品安裝方式、結構尺寸等請聯系我公司銷售人員。