力士樂遠程變量控制液壓泵
A10VSO140DRG/31R-PPB12N00是A10VSO系列中排量規格為140的產品之一。該型號的泵具有遠程
恒壓控制的特性。恒壓功能、裝置與DR控制方式相同。溢流閥接在X口作遠程控制;溢流閥不在DRG產品的控制的供貨范圍
產品技術參數如下:
產品額定轉速:500-2500r/min;
額定工作壓力:28Mpa;
峰值工作壓力:35Mpa;
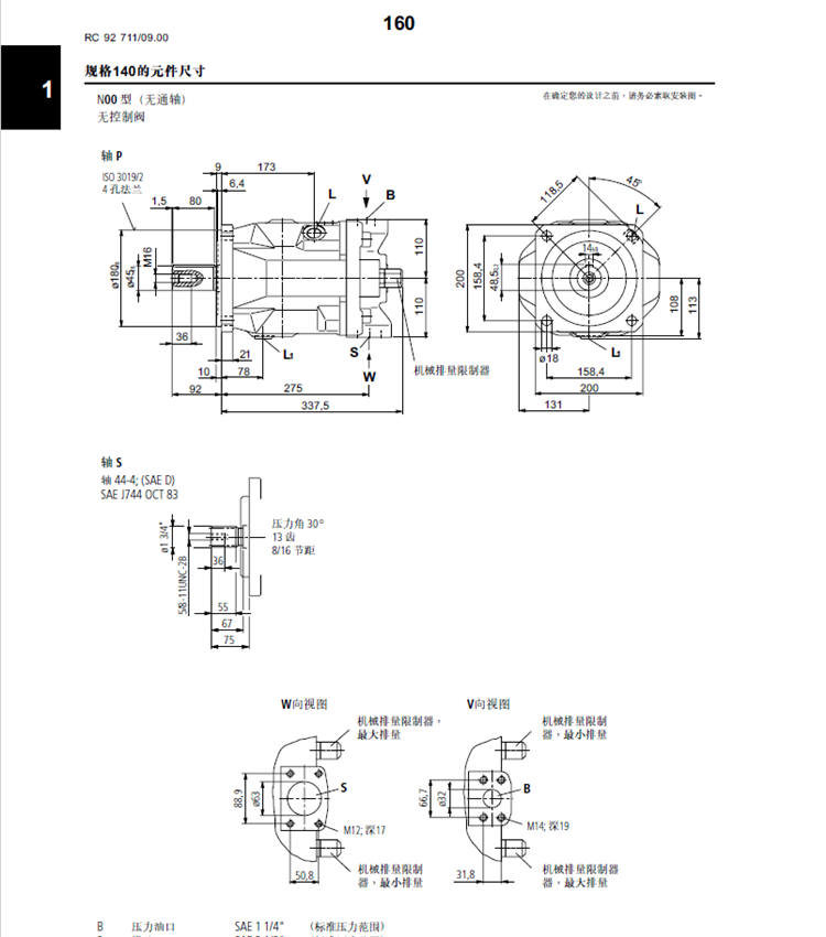
泵的標準排量:140ml/r;
泵的容積效率:大于等于95%;
控制方式:DRG遠程恒壓控制;
產品實物圖如下

產品型號定義如下圖


液壓泵A10VSO140DRG/31R-PPB12N00型號說明:
A10VSO為力士樂變量液壓泵的產品系列號
140代表排量為140ml/r;
DRG代表控制方式為遠程恒壓控制;
31代表系列結構;
R 為順時針轉向(正轉);
P(第一個P)代表軸伸形式為平鍵軸;
P(第二個P)代表產品密封材料丁青橡膠;
12 代表后蓋形式;
N00 代表本產品無通軸選項;
REXROTH力士樂遠程變量控制液壓泵A10VSO140DRG/31R-PPB12N00相關型號規格如下
A10VSO140DRG/31R-PPB12NOO
A10VSO140DR/31R-PPB12N00(對應普通恒壓變量控制的規格)
A10VSO140DRG/31R-PSC12N00
A10VSO140DRG/31R-VSC12N00
L10VSO140DRG/31R-PPB12N00
A10VSO140DRG/31L-PPB12N00



更多關于力士樂A10VSO140系列
液壓泵產品型號、產品性能、產品用途、產品安裝方式、結構尺寸等請聯系我公司銷售人員。